Module 6 : Semiconductor Memories
Lecture 28 : Static Random Access Memory (SRAM)
 
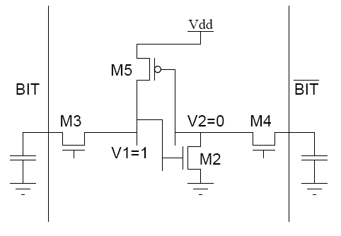
28.5 WRITE Operation
Consider the write '0' operation assuming that logic '1' is stored in the SRAM cell initially. Figure 28.51 shows the voltage levels in the CMOS SRAM cell at the beginning of the data write operation. The transistors M1 and M6 are turned off, while M2 and M5 are operating in the linear mode. Thus the internal node voltage v1eqvdd and v2eq0 before the access transistors are turned on. The column voltage vb is forced to '0' by the write circuitry. Once M3 and M4 are turned on, we expect the nodel voltage v2to remain below the threshold voltage of M1, since M2 and M4 are designed according to Eq. 28.1.
 
sramwrite0
Fig 28.51: SRAM start of write '0'
 
The voltage at node 2 would not be sufficient to turn on M1. To change the stored information, i.e., to force v1eq0 and vddeqvt, the node voltage V1must be reduced below the threshold voltage of M2, so that M2 turns off. When v1eq the transistor M3 operates in linear region while M5 operates in saturation region. Equating their current equations we get
 
image (Eq 28.4)
 
Rearranging the condition of V1in the result we get
 
image (Eq 28.5)
 
 
 
 
 
 
 
 
 
 
 
 
 
 
back
6
next