1. Components of a pneumatic controller
- Flapper nozzle amplifier
- Air relay
- Bellows
- Springs
- Feedback arrangements
1.1 Flapper nozzle amplifier
A pneumatic control system operates with air. The signal is transmitted in the form of variable air pressure (often in the range of 0.2 to 1.0 bar (3-15 psi)) that initiates the control action. One of the basic building blocks of a pneumatic control system is the flapper nozzle amplifier. It converts very small displacement signal (in order of microns) to variation of air pressure. The basic construction of a flapper nozzle amplifier is shown in Figure 6.5.2

Fig 6.5.2 Nozzle flapper amplifier
Constant air pressure is supplied to one end of the pipeline. There is an orifice at this end. At the other end of the pipe, there is a nozzle and a flapper. The gap between the nozzle and the flapper is set by the input signal. As the flapper moves closer to the nozzle, there will be less airflow through the nozzle and the air pressure inside the pipe will increase. On the other hand, if the flapper moves further away from the nozzle, the air pressure decreases. At the extreme, if the nozzle is open (flapper is far off), the output pressure will be equal to the atmospheric pressure. If the nozzle is blocked, the output pressure will be equal to the supply pressure.
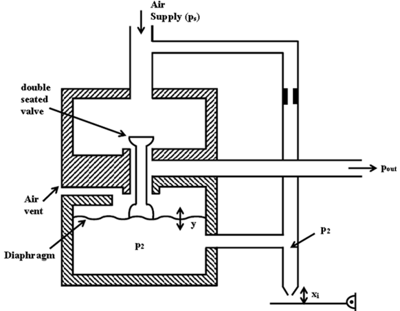
1.2 Air Relay
The major limitation of a flapper nozzle amplifier is its limited air handling capacity. The variation of air pressure obtained cannot be used for any useful application, unless the air handling capacity is increased. It is used after the flapper nozzle amplifier to enhance the volume of air to be handled. The principle of operation of an air relay can be explained using the schematic diagram shown in Figure 6.5.3. It can be seen that the air relay is directly connected to the supply line (no orifice in between). The output pressure of the flapper nozzle amplifier (p2) is connected to the lower chamber of the air relay with a diaphragm on its top. The variation of the pressure p2 causes the movement (y) of the diaphragm. There is a double-seated valve fixed on the top of the diaphragm. When the nozzle pressure p2 increases due to decrees in xi, the diaphragm moves up, blocking the air vent line and forming a nozzle between the output pressure line and the supply air pressure line. More air goes to the output line and the air pressure increases. When p2 decreases, the diaphragm moves downwards, thus blocking the air supply line and connecting the output port to the vent. The air pressure will decrease.

Fig 6.5.3 Air relay