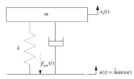
Problem 2.5.3: Derive the equation of motion of a vibration isolator modeled by a linear spring and nonlinear damping. The nonlinear damping force can be given by ![]()

Figure 2.5.6: vibration isolators with cubic nonlinear damping under both force and base excitations
Answer : Governing equation of motion
![]()
(Ref: Zhenlong Xiao, Xingjian Jing, Li Cheng, The transmissibility of vibration isolators with cubic nonlinear damping under both force and base excitations, Journal of Sound and Vibration, 332(5),1335-1354, 2013. )
Problem 2.5.4 : Using Lagrange principle, derive the equation of motion of the shown system. The variation of spring force with displacement ( x ) of the mass M is given by
kN, the damping force is given by
kN and the external applied force
kN.
Take
. Write the equation of the system using book-keeping parameter. Consider the beam to be of negligible mass
