![]() |
(21)
(22)
(23)
(24)
(25) |
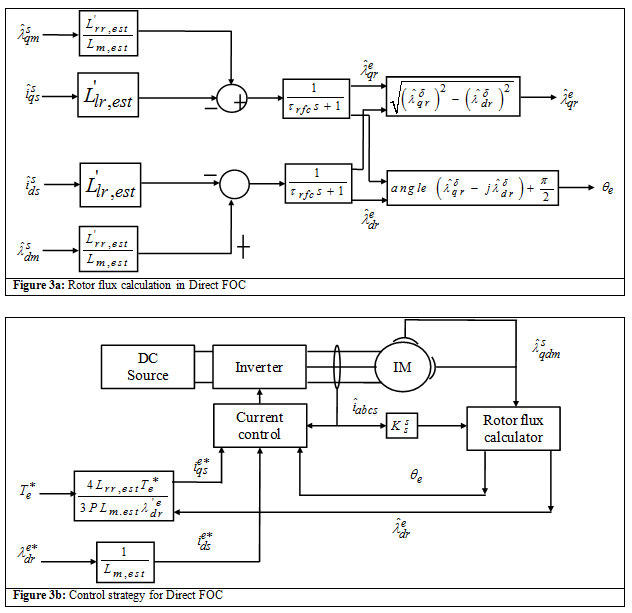
The implementation of this control strategy is shown in Figure 3a and b .

Module 6: A.C. Electrical Machines for Hybrid and Electric Vehicles
Lecture 21 : Switch reluctance motors, their configurations and optimization
![]() |
(21)
(22)
(23)
(24)
(25) |
The implementation of this control strategy is shown in Figure 3a and b .
