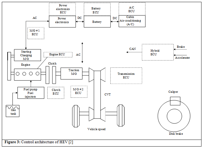
Control Area Network (CAN)
A typical CAN network in an HEV is shown in Figure 4 . The CAN is a fast, high rate network enabling communication between ECUs. In CAN most data can be updated every 10ms and the data is checked to assure data reliability.
