UNSOLVED PROBLEMS
PROBLEM 1: A closed tank contains compressed air and oil
as shown in fig. A U-tube manometer using mercury
is connected to the tank as shown. The column heights are
, and
.determine the pressure reading in
of the gauge? (Answer: 1.76 N/cm2)

PROBLEM 2: Assuming that atmospheric temperature decreases with increasing altitude at a uniform rate of
. Determine the atmospheric pressure at an altitude of 7.5 Km if the temperature and pressure at sea level are 15°C and 101.5KPa respectively if
? (Answer: 38.5KPa)
PROBLEM 3: A 1.8m diameter drainage conduit of the type shown in fig is full of water at rest, as shown. Find the magnitude and line of action of the resultant force that the water exerts on a 0.3m length of the curved section BC of the conduit wall? (Answer: F=2218N)

PROBLEM 4: A uniform closed cylindrical body 2m high, 1m diameter of mass 60Kg is to float with its axis vertical in sea water of density
. A body of mass 15 Kg is attached to the centre of the top surface of the body. Show that, if the body floats freely, initially instability will occur?
PROBLEM 5: The 5m diameter circular gate as in figure is located in the inclined wall of a large reservoir containing water
the gate is mounted on a shaft along its horizontal diameter, and the water depth is 110m above the shaft. Determine
(a) The magnitude and location of the resultant force exerted on the gate by the water, and
(b) The moment that would have to be applied to the shaft to open the gate.
(Answer: FR=21.15575 MN)
Compressed spring 
PROBLEM 6: A gas is contained in a vertical, frictionless piston-cylinder device. The piston has a mass of 4 Kg and a cross-sectional area of 35cm2. A compressed spring above the piston exerts a force of 60 N on the piston. If the atmospheric pressure is 95 KPa, determine the pressure inside the cylinder? (Answer: 1232.4KPa)

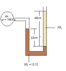
PROBLEM 7: Consider a double-fluid manometer attached to an air pipe as shown in fig .if the specific gravity of one fluid is 13.55, determine the specific gravity of the other fluid for the indicated absolute pressure of air. Take the atmospheric pressure to be 100 KPa? (Answer: 1.34)
