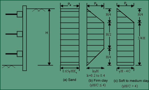
N= stability no. = 
If < 4.0 The pressure envelop shown in Fig (a) is used.
The value of the Pa varies between 0.2. .H to 0.4. .H.Average vale will be taken
( 0.3 . .H).
If > 4.0, the pressure envelop shown in Fig (b) is used. The Pressure is taken as ( .H- 4.C) or ( 0.3 . .H).
or = . .H = [1-m ] (m depends on N. N<4.0 m = 0.6 to 0.8 & N>4.0 m = 1.0 ) |