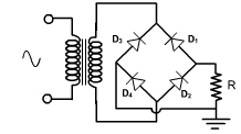
The single – phase full wave bridge rectifier is shown in fig. 1. It is the most widely used rectifier. It also provides currents in both the half cycle of input supply. 
        
        In the positive half cycle, D1 & D4 are forward biased and D2 & D3 are reverse biased. In the negative half cycle, D2 & D3 are forward biased, and D1 & D4 are reverse biased. The output voltage waveform is shown in fig. 2 and it is same as full wave rectifier but the advantage is that PIV rating of diodes are V m and only single secondary transformer is required.  
        The main disadvantage is that it requires four diodes. When low dc voltage is required then secondary voltage is low and diodes drop (1.4V) becomes significant. For low dc output, 2-pulse center tap rectifier is used because only one diode drop is there. 
        The ripple factor is the measure of the purity of dc output of a rectifier and is defined as 
        
          
        
        Therefore, 
        
          
            