Lecture - 25: Frequency Response of Amplifier

Thus the effective voltage input is reduced. The output also reduces. The lower the frequency, the lesser will be the gain. This reduction in gain is due to negative feedback.

As the frequency of the input signal increases, again the gain of the amplifier reduces. Firstly the b of the transistor decreases at higher frequency. Thus reducing the voltage gain of the amplifier at higher frequencies as shown in fig. 5.

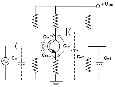
The other factor responsible for the reduction in gain at higher frequencies is the presence of various capacitors as shown in fig. 6. They are not physically connected but inherently present with the device.

Fig. Fig. 5

The capacitor Cbc between the base and the collector connects the output with the input. Because of this, negative feedback takes place in the circuit and the gain decreases. This feedback effect is more, when Cbc provides a path for higher frequency ac currents

The capacitance Cbe offers a low input impedance at higher frequency thus reduces the effective input signal and so the gain falls. Similarly, Cce provides a shunting effect at high frequencies in the output side and reduces gain of the amplifier.

Besides these junction capacitances there are wiring capacitance CW1 and CW2. These reactance are very small but at high frequencies they become 5 to 20 p.f. For a multistage amplifier, the effect of the capacitances Cce,CW1 and CW2 can be represented by single shunt capacitance.

CS = CW1 + CW2 +Cce.

At higher frequency, the capacitor CS offers low input impedance and thus reduces the output.

Fig. 6

Bandwidth of an amplifier:

The gain is constant over a frequency range. The frequencies at which the gain reduces to 70.7% of the maximum gain are known as cut off frequencies, upper cut off and lower cut off frequency. fig. 7, shows these two frequences. The difference of these two frequencies is called Band width (BW) of an amplifier.

BW = f2 – f1.

Fig. 7

At f1 and f2, the voltage gain becomes 0.707 Am(1 / Ö 2). The output voltage reduces to 1 / Ö 2 of maximum output voltage. Since the power is proportional to voltage square, the output power at these frequencies becomes half of maximum power. The gain on dB scale is given by

20 log10(V2 / V1) = 10 log 10 (V2 / V1)2 = 3 dB.

20 log10(V2 / V1) = 20 log10(0.707) =10 log10 (1 / Ö 2)2 = 10 log10(1 / 2) = -3 dB.

If the difference in gain is more than 3 dB, then it can be detected by human. If it is less than 3 dB it cannot be detected.

GOTO >> 1 || 2 || 3 || Home