Lecture - 28: Voltage Regulator

Design of Series Voltage Regulator:

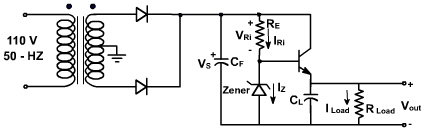
Fig. 1 shows the basic circuit of a series voltage regulator. The operation of this regulator has been discussed in previous lecture. It consists of series (pass) transistor to control the output voltage.

Fig. 1

The circuit can be designed taking two extreme operating conditions,

  1. VS max, IZ max, I load min / β
  2. VS min, IZ min, I load max / β

We calculate R s for both conditions and since R si is constant, we equate these two expressions as in Equation E-1.

        (E-1)

A design guideline that set IZ min = 0.1 I Z max. Then we equate the expressions for Equation (E-1) to obtain,

      (E-2)

Solving for IZ max, we obtain,

     (E-3)

We estimate the load resistance by taking the ratio of the minimum source voltage to the maximum load current. Since R load is large and in parallel, it can be ignored. This is the worst case since it represents the smallest load and therefore the maximum load current.

     (E-4)

The output filter capacitor size can be estimated according to the permissible output voltage variation and ripple voltage frequency and is given by

      (E-5)

Since the voltage gain of an EF amplifier is unity, the output voltage of teh regulated power supply is,

Vload=VZ - VBE   (E-6)

The percent regulation of the power supply is given by

      (E-7)

GOTO >> 1 || 2 || 3 || Home