Light Emitting Diode :
In a forward biased diode free electrons cross the junction and enter into p-layer where they recombine with holes. Each recombination radiates energy as electron falls from higher energy level to a lower energy level. I n ordinary diodes this energy is in the form of heat. In light emitting diode, this energy is in the form of light.
The symbol of LED is shown in fig. 2. Ordinary diodes are made of Ge or Si. This material blocks the passage of light. LEDs are made of different materials such as gallium, arsenic and phosphorus. LEDs can radiate red, green, yellow, blue, orange or infrared (invisible). The LED's forward voltage drop is more approximately 1.5V. Typical LED current is between 10 mA to 50 mA.
 |
 |
Fig. 2 |
Fig. 3 |
Seven Segment Display :
Seven segment displays are used to display digits and few alphabets. It contains seven rectangular LEDs. Each LED is called a Segment. External resistors are used to limit the currents to safe Values. It can display any letters a, b, c, d, e, f, g.as shown in fig. 3.

Fig. 4
The LEDs of seven-segment display are connected in either in common anode configuration or in common cathode configuration as shown in fig. 4.
Photo diode :
When a diode is reversed biased as shown in fig. 5, a reverse current flows due to minority carriers. These carriers exist because thermal energy keeps on producing free electrons and holes. The lifetime of the minority carriers is short, but while they exist they can contribute to the reverse current. When light energy bombards a p-n junction, it too can produce free electrons.

Fig. 5
In other words, the amount of light striking the junction can control the reverse current in a diode. A photo diode is made on the same principle. It is sensitive to the light. In this diode, through a window light falls to the junction. The stronger the light, the greater the minority carriers and larger the reverse current.
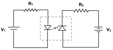
Opto Coupler:
It combines a LED and a photo diode in a single package as shown in fig. 6. LED radiates the light depending on the current through LED. This light fails on photo diode and this sets up a reverse current. The advantage of an opto coupler is the electrical isolation between the input and output circuits. The only contact between the input and output is a beam of light. Because of this, it is possible to have an insulation resistance between the two circuits of the order of thousands of mega ohms. They can be used to isolate two circuits of different voltage levels.

Fig. 6
GOTO >> 1 || 2 || Home
|