Intersection of Prism and Pyramid
A square pyramid with a base side of 55 mm and an axis length of 80 mm stands on its base on the HP with the sides of base equally inclined to the VP. A triangular prism with a base side of 34 mm and length of axis 100 mm, penetrates the pyramid completely. The axis of the prism is perpendicular to the VP and intersects the axis of pyramid at 25 mm from the HP. One of the lateral faces of the prism is perpendicular to the HP. Draw the three views of the solids showing LOI.

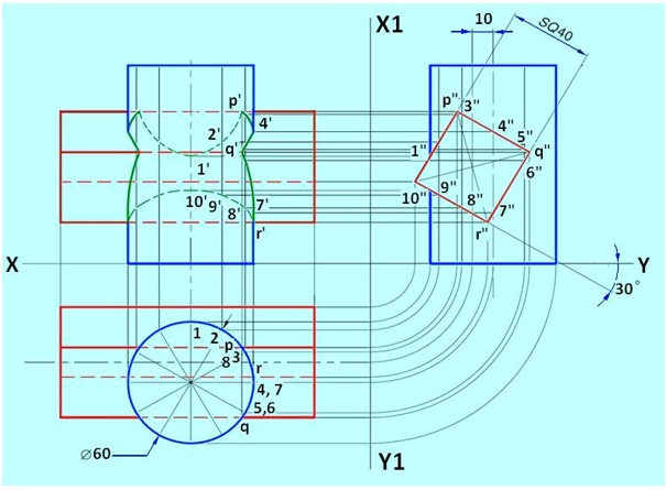
Intersection of Prism and Cylinder
A vertical cylinder with a 60 mm diameter is penetrated by a horizontal square prism with a 40 mm base side, the axis of which is parallel to the VP and 10 mm away from the axis of the cylinder. A face of the prism makes an angle of 30° with the HP. Draw their projections showing curves of intersection.
