Module 6 : Measurement of High Test Voltages
Lecture 30 : Peak High Voltage measurement techniques
Global Breakdown or rupture of insulation properties of dielectrics in general take place at the peak of the voltage applied. The power frequency ac voltage may not always have perfect sinusoidal waveform, the dc output voltage may have ripple and for the impulse voltage the peak is significant. Hence, the measurement of peak magnitude of these voltages is therefore of great importance.
 
Chubb-Fortescue Method
The most simple yet accurate method for the measurement of peak values of ac power frequency voltage was proposed by Chubb and Fortescue in 1913. The circuit diagram for this method is shown in Fig. 30.2.
 
Fig 30.2   ac peak voltage measurement by Chubb and Fortescue. (a) Fundamental circuit. (b) Recommended, actual circuit.
 
The measuring instrument in this circuit, an ammeter, reads the magnitude of charge per cycle or the mean value of the current
       
hence,
                                                                                                                                          (30.1)
the limits of integration are shown in Fig. 30.3
Fig. 30.3    Diagram of voltage U(t) and current ic(t)  from circuit Fig. 30.2(a)
 
If both, the +ve and -ve, peak values are equal, the expression for the charging current of the HV capacitor can be written as,
                                                                                                                                                                    (30.2)                                                                                                                 
With knowledge of exact value of f and C, the value of dc current measured gives 2Umax , the actual peak to peak value of the ac voltage.
Peak value measurement
 
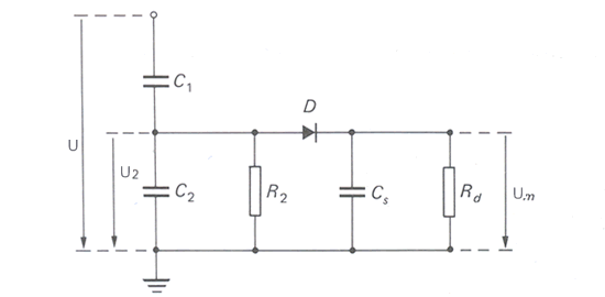
A number of rectifier circuits have been proposed for the measurement of peak value of ac power frequency and impulse voltages to work with capacitive voltage dividers. The first circuit of its kind was proposed by Davis, Bowdler and Strandring in 1930, shown in Fig 30.4
 

Fig . 30.4 (a) Simple crest voltmeter for ac measurement, according to Davis, Bowdler and Standring

Fig. 30.4 (b)
 
In this circuit, the measuring capacitors Cm is charged to the peak value , the lower arm voltage of the capacitive voltage divider. If U2 is decreased, Cm will hold the charge and the voltage across it will not change. Because of the reverse bias current of the diode, there is a danger that U2 will gain negative dc component over the time. Hence Um will no longer follow the change in U2 . Therefore, discharge resistors R2 and Rd must be included in this circuit. The time constant RdCm should be between 0.5 - 1 sec to obtain a good response. When the circuit response conditions are taken care, the peak value of the voltage to be measured is given by the relation
                                                                                                                                                                                        (30.3)