Processor Organization                                                                                                                  Print this page
<< Previous |  First Last |  Next >>       



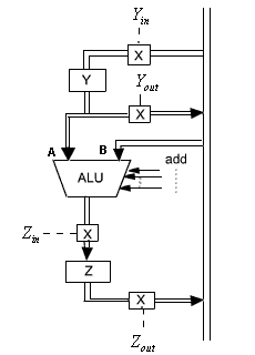
Figure 5.7 : Organization for Arithmatic & Logic Operation.

<< Previous |  First |  Last |  Next >>