Previous
Fundamentals of Antennas and Radiating systems
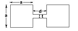
  1. The figure P3.4 shows the cross section of a conductor having conductivity and length L. Determine the resistance of the conductor.

Figure P3.4