- There are two high-level injection effects that we
shall discuss here:
(i) High Level injection in Base
(ii) High level injection in Collector
We shall consider high level injection in the base, also termed as Webster
effecti,
first:
For simplicity, we shall consider a uniformly doped base. The expression
for collector current that has been used in the past discussion was
based on low level injection approximation. This approximation allowed
the collector current to be expressed as a purely electron diffusion
current:
Neglect of recombination results in linear variation of electron density
across the base so that
The second simplification that low level injection resulted in was that
the expression:
With these three simplifications, the collector current can be written
as:
When the injected electron density begins to become comparable to the
base doping, the electron current begins to have an appreciable drift
component as well. Assuming that the hole current in the base and therefore
the base current is small, we can obtain the magnitude of the electric
field in the base:.
With this expression, the collector current can be expressed as sum
of drift and diffusion terms:
The base is quasi-neutral and uniformly doped as that:

This allows Eq. (7) to be written as

Eq. (9) shows that when injected electron density is much smaller, than
the hole density in the base, the current is same as before and diffusive.
At very high current densities,
so that
In general, the collector current can be expressed as
where 
Under high-level injection conditions, the approximation made in Eq.
(3) is no longer valid so that a full expression for electron density
has to be used:
The electron density and therefore the collector current no longer increase
as but
as ,where
the ideality factor is unity for small base-emitter voltages but tends
to approach 2 at high biases.
The collector current under high level injection can therefore be modeled
as
- The major impact of high level injection is that the
ideality factor of the collector current departs from unity and approaches
a value of 2.
- The base current, being due to injection of holes into
the emitter, continues to have an ideality factor of unity because low
level injection conditions continue to prevail in emitter due to its
heavy doping level.
- The increase in ideality factor of collector current
and a constant ideality factor of unity for base current means that
the collector current does not increase as rapidly as the base current
with increase in bias. As a result current gain will decrease!
Eq. (15) shows that current gain will decrease with increase in collector
current density. For very high collector current densities:
- This rapid decrease in current with increase in collector
current density means that the device quickly becomes useless since
almost all applications require at least a moderate value of current
gain.
- As a measure of the collector current density at which high level
injection effects begin to become appreciable, we take
so
that
- When the injected electron density becomes comparable
to the background doping in the base, it begins to affect the collector-base
depletion region on the base side also. The charge density given by:
would increase because electron density adds to the charge due to acceptor
atoms. This increase in charge density would result in decrease in depletion
width on the base side thereby increasing the effective base width.
- This base pushout effect, besides decreasing collector
current and therefore the current gain, will also tend to increase the
base transit time.
- There is a counteracting effect due to the presence
of electric field in the base but in general the onset of high level
injection results in degradation of unity gain frequency.
Conductivity Modulation
The high-level injection phenomenon is also called
conductivity modulation. The conductivity of base can be expressed as
Eq. (21) shows that as the injected electron density begins to become
comparable to the base doping, the base conductivity will begin to increase
with increase in collector density.
-
Example 4.1 (a)For an
NPN transistor whose description is given below, determine the collector
current after which the current gain will begin to fall.
(b)Discuss how can you double the value of maximum collector current.
Solution : The collector current density and collector current
can be found using Eq. (17) to be and
3.62 mA respectively.
(b) An obvious way of doubling the collector current would be to
double the transistor area. Besides occupying more area on Silicon
wafer, this approach would also double all the junction capacitances
thereby adversely affecting the frequency response of the device.
Another approach could be by doubling the base doping. This would
however decrease the current gain also. A third method could be
by reducing the base thickness. This would decrease the Early voltage
and as we shall see in the next section also lower what is called
the punchthrough voltage of the transistor.
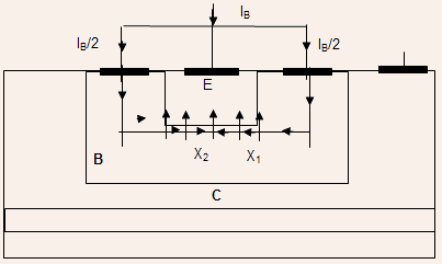
Current Crowding
The Figure below shows a simplified schematic of a Bipolar Transistor
:
The structure has two base contacts, one on each side of
the emitter. As a result of the lateral resistance of intrinsic
base region
(  ),
there will be a voltage drop across it.
This means that the potential at the edge of the emitter (point
 )
will be larger than the potential in the middle (point 
). Since the
emitter voltage is the same everywhere,
This means that a larger fraction of collector current would flow
at the edges than at the center.
|