LECTURE 32

THE AREA-MOMENT / MOMENT-AREA METHODS:

The area moment method is a semi graphical method of dealing with problems of deflection of beams subjected to bending. The method is based on a geometrical interpretation of definite integrals. This is applied to cases where the equation for bending moment to be written is cumbersome and the loading is relatively simple.

Let us recall the figure, which we referred while deriving the differential equation governing the beams.

It may be noted that dq is an angle subtended by an arc element ds and M is the bending moment to which this element is subjected.

We can assume,

ds = dx [since the curvature is small]

hence, R dq = ds

The relationship as described in equation (1) can be given a very simple graphical interpretation with reference to the elastic plane of the beam and its bending moment diagram

Refer to the figure shown above consider AB to be any portion of the elastic line of the loaded beam and A1B1is its corresponding bending moment diagram.

Let AO = Tangent drawn at A

      BO = Tangent drawn at B

Tangents at A and B intersects at the point O.

Futher, AA ' is the deflection of A away from the tangent at B while the vertical distance B'B is the deflection of point B away from the tangent at A. All these quantities are futher understood to be very small.

                Let ds ≈ dx be any element of the elastic line at a distance x from B and an angle between at its tangents be dq. Then, as derived earlier

This relationship may be interpreted as that this angle is nothing but the area M.dx of the shaded bending moment diagram divided by EI.

From the above relationship the total angle q between the tangents A and B may be determined as

Since this integral represents the total area of the bending moment diagram, hence we may conclude this result in the following theorem

Theorem I:

               Now let us consider the deflection of point B relative to tangent at A, this is nothing but the vertical distance BB'. It may be note from the bending diagram that bending of the element ds contributes to this deflection by an amount equal to x dq [each of this intercept may be considered as the arc of a circle of radius x subtended by the angle q]

Hence the total distance B'B becomes

The limits from A to B have been taken because A and B are the two points on the elastic curve, under consideration]. Let us substitute the value of dq = M dx / EI as derived earlier

[ This is infact the moment of area of the bending moment diagram]

               Since M dx is the area of the shaded strip of the bending moment diagram and x is its distance from B, we therefore conclude that right hand side of the above equation represents first moment area with respect to B of the total bending moment area between A and B divided by EI.

Therefore,we are in a position to state the above conclusion in the form of theorem as follows:

Theorem II:

Deflection of point ‘B' relative to point A

Futher, the first moment of area, according to the definition of centroid may be written as , where is equal to distance of centroid and a is the total area of bending moment

Thus,

Therefore,the first moment of area may be obtained simply as a product of the total area of the B.M diagram betweenthe points A and B multiplied by the distance to its centroid C.

If there exists an inflection point or point of contreflexure for the elastic line of the loaded beam between the points A and B, as shown below,

Then, adequate precaution must be exercised in using the above theorem. In such a case B. M diagram gets divide into two portions +ve and –ve portions with centroids C1and C2. Then to find an angle q between the tangentsat the points A and B

Illustrative Examples: Let us study few illustrative examples, pertaining to the use of these theorems

Example 1:

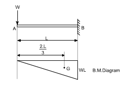
1. A cantilever is subjected to a concentrated load at the free end.It is required to find out the deflection at the free end.

Fpr a cantilever beam, the bending moment diagram may be drawn as shown below

Let us workout this problem from the zero slope condition and apply the first area - moment theorem

The deflection at A (relative to B) may be obtained by applying the second area - moment theorem

NOTE: In this case the point B is at zero slope.

Example 2: Simply supported beam is subjected to a concentrated load at the mid span determine the value of deflection.

A simply supported beam is subjected to a concentrated load W at point C. The bending moment diagram is drawn below the loaded beam.

Again working relative to the zero slope at the centre C.

Example 3: A simply supported beam is subjected to a uniformly distributed load, with a intensity of loading W / length. It is required to determine the deflection.

The bending moment diagram is drawn, below the loaded beam, the value of maximum B.M is equal to Wl2 / 8

So by area moment method,

Goto Home